








Audio Research (Special Modified Dynakit) ST-70-C3 - Vintage Tube Amplifier w/Vintage GE Tubes
Free Shipping on Most Electronics - Excludes Speakers and Items Requiring Freight - Contiguous U.S. Only
Pickup currently unavailable at SkyFi 479

Audio Research (Special Modified Dynakit) ST-70-C3 - Vintage Tube Amplifier w/Vintage GE Tubes
SkyFi 479
479 South Broad Street
Glen Rock NJ 07452
United States
Super cool and rare upgraded Dynakit ST-70 tube amplifier modified by Audio Research. Dynakit sold these tube amplifier kits back in the early 1970's.
Back in 1974 you could bring your beloved ST-70 amplifier to Audio Research and for $375 they would hot-rod it to work at its full potential!
What could be better than a well regarded ST-70 with a bit of love and magic from our favorite tube amp maker Audio Research.
Now $375 was a ton of money back then, especially considering a complete ST-70 would cost you a fraction of that (Over $2300 in today's dollars with inflation).
They made 3 versions of this unit over the years and this is the latest and greatest 3C version. Best of all it's fitted with vintage GE tubes that tested really well on our modern and professional tube tester.
Not sure how many pieces were actually modified, but I have not found many examples of this amp online. So it's relatively rare.
This one looks great and sounds amazing. It was tested in our lab and listening room and is working perfectly.
Test Notes:
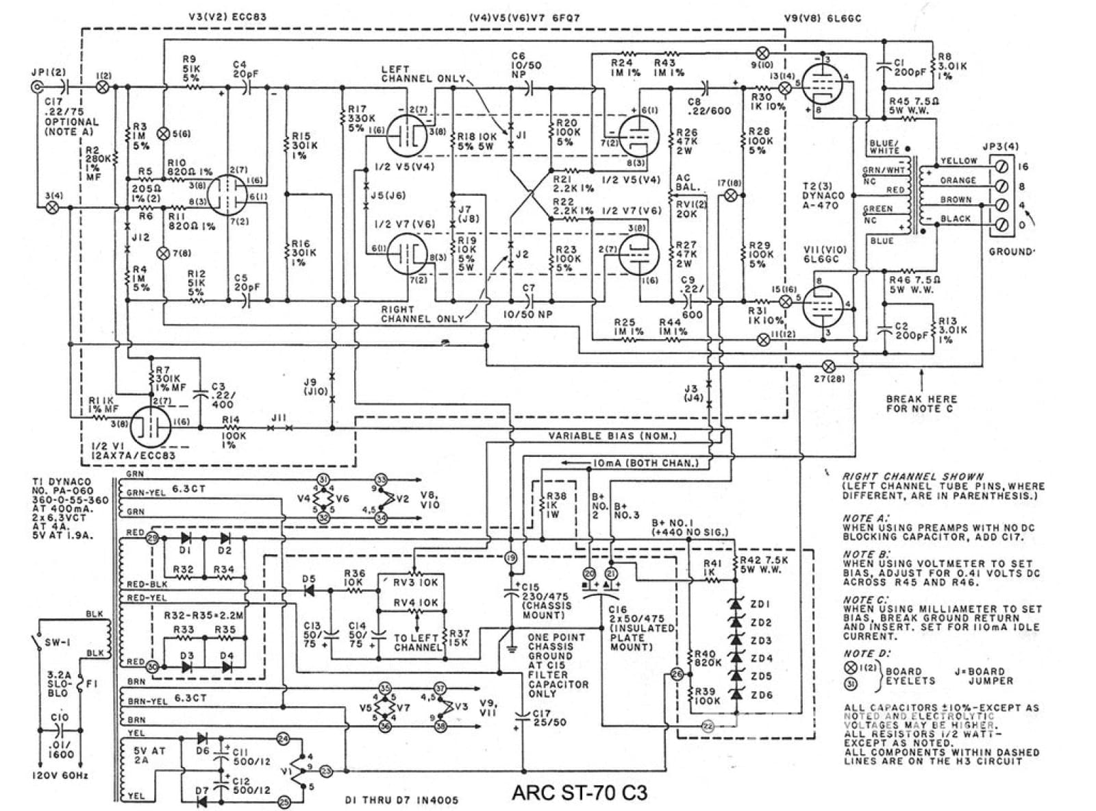
Uses (3) 12AX7, (4) 6CG7, and (4) 6L6GC.
• Tests to approx. 40W into 8 ohms with both channels driven
• Set Bias to .410V across 7.5ohm resistors as suggested in schematic.
Click below to add our recommended matching cables from Kimber Kable, all brand new as SkyFi is an official Kimber dealer.
Kimber Kable - RCA Interconnects
The SkyFi Testing Process for Tube Amplifiers:
We start with a visual inspection of all internal components to make sure there are no signs of stress or aging. Capacitors are checked for telltale sings of bulging or leaking, resistors are checked for signs of overheating or cracking, and tubes are inspected for signs of stress overheating or cracking.
We then power up the unit carefully and run a simple 1k sine wave while monitoring the output on an oscilloscope for signs of distortion or noise. Finally we run the amplifier to its full rated power into the appropriate resistive load provided by our Sencore amplifier tester. If there is an issue, it will usually be noticeable at this point. If it all looks clean we will often test for THD (Total Harmonic Distortion) measured by our Keithley distortion meter, and compare it against the original manufacturers specifications. The amplifier the remains powered on to "burn in" on our test bench for a few hours to make sure there are no heat related issues. If there are balanced inputs available they will also be tested.
We also test all tubes for output gain and leakage on our calibrated modern and professional tube tester against the original manufacturers specifications. If needed, the tubes will be replaced from our vast NOS (New Old Stock) vintage or modern inventory.
Final testing involves pushing actual music thorough the amplifier. We've learned over time that some issues are only noticeable to a trained ear while listening to familiar source material. Our test bench has reference vintage KEF speakers that we're very familiar with which quickly reveal any discrepancies. Some amplifiers will then move into our listening room where they are tested with our in-house reference speakers of choice.
|
Item |
Included |
|
Original Box |
No |
|
Manual |
Online |
|
Remote |
Not Applicable |
|
Cables |
Yes - Power Only |
|
Physical Condition |
6 |
|
Working Condition |
10 |
Choose options
